Главная
 
KIA
Sportage
1. Введение
2. Органы управления и приемы эксплуатации
3. Текущий уход и обслуживание
4. Двигатель
5. Системы охлаждения, отопления, вентиляции и кондиционирования воздуха
6. Системы питания, управления двигателем / снижения токсичности отработавших газов и выпуска отработавших газов
6.1. Меры безопасности и общие правила, принятые при обслуживании компонентов топливных трактов двигателей внутреннего сгорания
6.2. Система питания бензиновых двигателей
6.2.1. Общая информация
6.2.2. Проверка и регулировка количества оборотов холостого хода / момента зажигания / концентрации СО
6.2.3. Сбрасывание давления в топливной системе бензинового двигателя, заполнение топливного тракта
6.2.4. Проверки системы питания
6.2.5. Снятие и установка компонентов впускного воздушного тракта
6.2.6. Снятие и установка педали газа, регулировка троса привода дроссельной заслонки
6.2.7. Снятие и установка топливного бака
6.2.8. Снятие и установка топливного насоса
6.2.9. Снятие и установка датчика запаса топлива
6.2.10. Снятие и установка контрольно-запорного клапана
6.2.11. Снятие и установка подающей и возвратной линий топливного тракта
6.2.12. Снятие и установка заливной горловины топливного бака и отделителя топливных испарений
6.2.13. Снятие и установка фильтра тонкой очистки топливного тракта
6.2.14. Снятие и установка регулятора давления топлива
6.2.15. Снятие и установка топливораспределительной магистрали
6.2.16. Снятие и установка топливных инжекторов
6.3. Система питания дизельных двигателей
6.4. Системы управления двигателем и снижения токсичности отработавших газов
6.5. Система выпуска отработавших газов
7. Системы электрооборудования двигателя
8. Пятиступенчатая ручная коробка переключения передач
9. Автоматическая трансмиссия
10. Трансмиссионная линия
11. Тормозная система
12. Подвеска и рулевое управление
13. Кузов
14. Бортовое электрооборудование
15. Контрольные кузовные размеры
16. Схемы электрических соединений
 

6.2.8. Снятие и установка топливного насоса

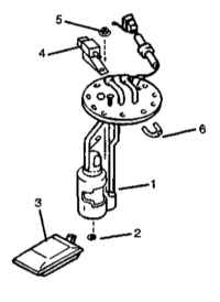
Постарайтесь в процессе извлечения насосной сборки не повредить такие хрупкие ее компоненты, как топливозаборник и поплавок датчика запаса топлива! См. также предупреждение в начале Раздела Снятие и установка топливного бака!


 ПОРЯДОК ВЫПОЛНЕНИЯ

  1. Выполните процедуры Раздела Снятие и установка топливного бака.
  2. Выверните восемь крепежных винтов крепления к баку посадочного фланца насосной сборки.
  1. Аккуратно поворачивая и слегка наклоняя из стороны в сторону, высвободите насосную сборку из топливного бака, - постарайтесь не повредить топливозаборник и поплавок датчика запаса топлива, - и заверните в бумажное полотенце. Сразу же закупорьте установочное окно насосной сборки в топливном баке.
  1. В случае необходимости отделите от насосной сборки сетчатый фильтр топливозаборника и снимите собственно насос.
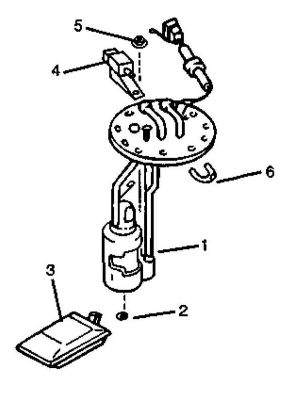
1 — Насос
2 — Стопорное кольцо
3 — Сетчатый фильтр
4 — Датчик давления
5 — Гайка
6 — Пылезащитная трубка датчика
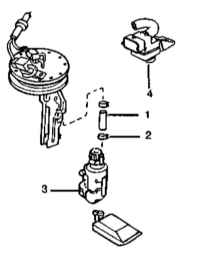
1 — Топливный шланг
2 — Крепежный хомут
3 — Насос
4 — Датчик давления
  1. Сборка и установка производятся в порядке, обратом порядку демонтажа компонентов, - подведенную к насосной сборке электропроводку зафиксируйте скотчем.


« предыдущая страница
6.2.7. Снятие и установка топливного бака
следующая страница »
6.2.9. Снятие и установка датчика запаса топлива